百葉閥(圓式、窗式)
1、ZK(Y、C)VB-0.05型電動百葉(圓式、窗式)閥
用途:
本閥是與電動執行機構配套使用,具有啟閉小、動作靈敏、性能可靠、口徑大、重量輕等優點。廣泛應用于冶金、建材、電力、石化、輕工等工業部門的風機、空調機、電收塵和各種大型管道中,能對粉塵、氣體、進行電動或手動調節和切斷。
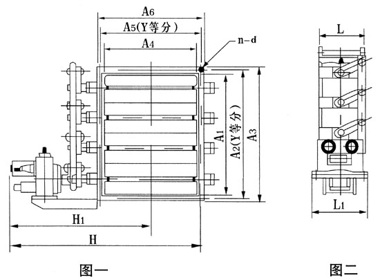
主要技術參數:

外形尺寸:

2、DYTK(K、C)VB-0.05型電液動百葉(圓式、窗式)閥
用途
閥是與電動執行機構配套使用,具有啟閉小、動作靈敏、性能可靠、口徑大、重量輕等優點。廣泛應用于冶金、建材、電力、石化、輕工等工業部門的風機、空調機、電收塵和各種大型管道中,能對粉塵、氣體、進行電動或手動調節和切斷。
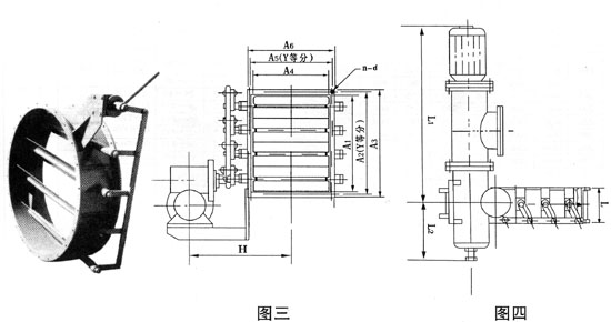
主要技術參數

外形尺寸
