電液動金屬硬密封卸灰閥(雙層卸灰閥)
概述
電液動金屬硬密封卸灰閥門是根據蘑菇頭式、錐形閥等結構的卸灰閥所存在的“體積大、泄漏率高,閥頭易磨損以及卡料、電機易燒毀、在工業生產流程中無法進入自動控制”等缺陷而研制的一種結構簡單、設計新穎的更新換代之產品。可廣泛應用于冶金、礦山、建材、電力、化工等工業生產流程需要遠程控制或現場控制卸灰的過程中。
特點
1.集機、電、液、控于一體,可實現遠距離控制、中央調度室監控和微機控制;
2.通電后,自動完成上、下閥之間互相交替工作,至設定的卸料量后自動停止,雙閥全部關閉;
3.卸料途中遇到卡料現象時,可自動處理故障;
4.配用螺旋閘門便于對本閥維護而起切斷料流的作用;
5.泄漏率低,泄漏率≤0.05%
6.采用電液推桿作動力源,過載自動卸荷,自鎖性好,不漏油,運行平穩;
7.通過調整調節螺釘可調整密封門隙;
8.采用插板結構卡料現象比其它結構卸灰閥的頻率低具不易磨損。
工作原理
本閥為機、電、液、控于一體的卸料裝置,接通電源后,上閥電液推桿自動打開閘板,至限位開關(SQ2)后,停留數秒卸料,然后關閉上閥閘板,至限位開關(SQ1)后轉入下閥工作,下閥電液推桿打開閘板至限位開關(SQ4)后,停留數秒卸料,然后關閉下閥閘板至限位開關(SQ3)后轉入上閥工作。如此交替工作,至設定的卸灰量后,自動停止全過程工作。
型號編制說明

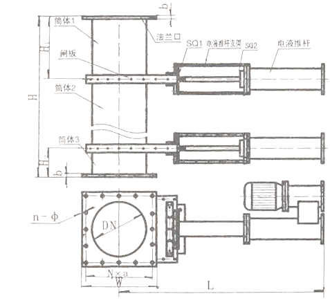
電液動金屬硬密封卸灰閥門示意圖

備注
用戶如需要特殊要求,可按用戶要求設計制造;
電液推桿了大工作頻率在常溫≤20次/小時為宜。